Toggle menu
800-448-9364
Login
or
Sign Up
0
Search
×
Search
×
Main Menu
Home
RAPTOR & RAPTOR II
Raptor II - Parts Manual
Raptor Edge - Belt Routing 2012-2016
Raptor II - Belt Routing -6.0L Engine 2016-2020.5
Raptor II - Belt Routing -6.6L Engine 2021-Current
Raptor II - Pick-up Head
Raptor II - Electrical Schematic
Raptor - Curb Broom Schematic
Raptor - Controls
Raptor - Driver Side Curb Broom
Raptor - Electrical Schematic
Raptor - Fan Housing
Raptor - Hopper
Raptor - Hydraulic Schematic
Raptor - Hydraulics
Raptor - Misc. Fan Parts
Raptor - Misc. Frame & Hopper Parts I
Raptor - Misc. Frame & Hopper Parts II
Raptor - Passenger Side Curb Broom
Raptor - Pick-Up Head
Raptor - Pick Up Head Schematic (Bottom)
Raptor - Pick Up Head Schematic (Top)
Raptor - Pump
Raptor - Tool Box & Water System
OSPREY & OSPREY II
Osprey II - Rear Bumper Exploded View-Ford F250
Osprey I- Belt Routing 2009-2017 GMC/Chevy
Osprey II - Belt Routing- 2017-2018 GMC/Chevy
Osprey II - Belt Routing- 2020-Current GMC/Chevy
Osprey II - Belt Routing-Ford F250 2017-2022
Osprey II - Pick-Up Head
Osprey - Curb Broom Schematic
Osprey - Controls
Osprey - Driver Side Curb Broom
Osprey - Electrical Schematic
Osprey - Fan Housing
Osprey - Hopper
Osprey - Hydraulic Schematic
Osprey - Hydraulics
Osprey - Misc. Fan Parts
Osprey - Misc. Frame & Hopper Parts I
Osprey - Misc. Frame & Hopper Parts II
Osprey - Passenger Side Curb Broom
Osprey - Pick-Up Head
Osprey - Pick Up Head Schematic (Bottom)
Osprey - Pick Up Head Schematic (Top)
Osprey - Pump
Osprey - Tool Box & Water System
NiteHawk Sweepers
Used Sweepers
Contact Us
Shop By Category
Find By: CATEGORY
Accessories
Alternative Fuel
Apparel
Belts & Pulleys
Bumpers
Chassis & Engine
Controls
Curb Broom
Electrical
Fan
Hardware
Hopper
Hydraulic System
Lights
Manuals
Pickup Head
Pickup Head (Complete)
Rubber
Tool Box
Water System
Find By: MODEL
NH200
NH400
RAPTOR
RAPTOR II
OSPREY
OSPREY II
Shop By Brand
View all Brands
Gift Certificates
Login
or
Sign Up
Search
×
Main Menu
Home
RAPTOR & RAPTOR II
Raptor II - Parts Manual
Raptor Edge - Belt Routing 2012-2016
Raptor II - Belt Routing -6.0L Engine 2016-2020.5
Raptor II - Belt Routing -6.6L Engine 2021-Current
Raptor II - Pick-up Head
Raptor II - Electrical Schematic
Raptor - Curb Broom Schematic
Raptor - Controls
Raptor - Driver Side Curb Broom
Raptor - Electrical Schematic
Raptor - Fan Housing
Raptor - Hopper
Raptor - Hydraulic Schematic
Raptor - Hydraulics
Raptor - Misc. Fan Parts
Raptor - Misc. Frame & Hopper Parts I
Raptor - Misc. Frame & Hopper Parts II
Raptor - Passenger Side Curb Broom
Raptor - Pick-Up Head
Raptor - Pick Up Head Schematic (Bottom)
Raptor - Pick Up Head Schematic (Top)
Raptor - Pump
Raptor - Tool Box & Water System
OSPREY & OSPREY II
Osprey II - Rear Bumper Exploded View-Ford F250
Osprey I- Belt Routing 2009-2017 GMC/Chevy
Osprey II - Belt Routing- 2017-2018 GMC/Chevy
Osprey II - Belt Routing- 2020-Current GMC/Chevy
Osprey II - Belt Routing-Ford F250 2017-2022
Osprey II - Pick-Up Head
Osprey - Curb Broom Schematic
Osprey - Controls
Osprey - Driver Side Curb Broom
Osprey - Electrical Schematic
Osprey - Fan Housing
Osprey - Hopper
Osprey - Hydraulic Schematic
Osprey - Hydraulics
Osprey - Misc. Fan Parts
Osprey - Misc. Frame & Hopper Parts I
Osprey - Misc. Frame & Hopper Parts II
Osprey - Passenger Side Curb Broom
Osprey - Pick-Up Head
Osprey - Pick Up Head Schematic (Bottom)
Osprey - Pick Up Head Schematic (Top)
Osprey - Pump
Osprey - Tool Box & Water System
NiteHawk Sweepers
Used Sweepers
Contact Us
Shop By Category
Find By: CATEGORY
Accessories
Alternative Fuel
Apparel
Belts & Pulleys
Bumpers
Chassis & Engine
Controls
Curb Broom
Electrical
Fan
Hardware
Hopper
Hydraulic System
Lights
Manuals
Pickup Head
Pickup Head (Complete)
Rubber
Tool Box
Water System
Find By: MODEL
NH200
NH400
RAPTOR
RAPTOR II
OSPREY
OSPREY II
Shop By Brand
View all Brands
Gift Certificates
Login
or
Sign Up
Home
RAPTOR & RAPTOR II
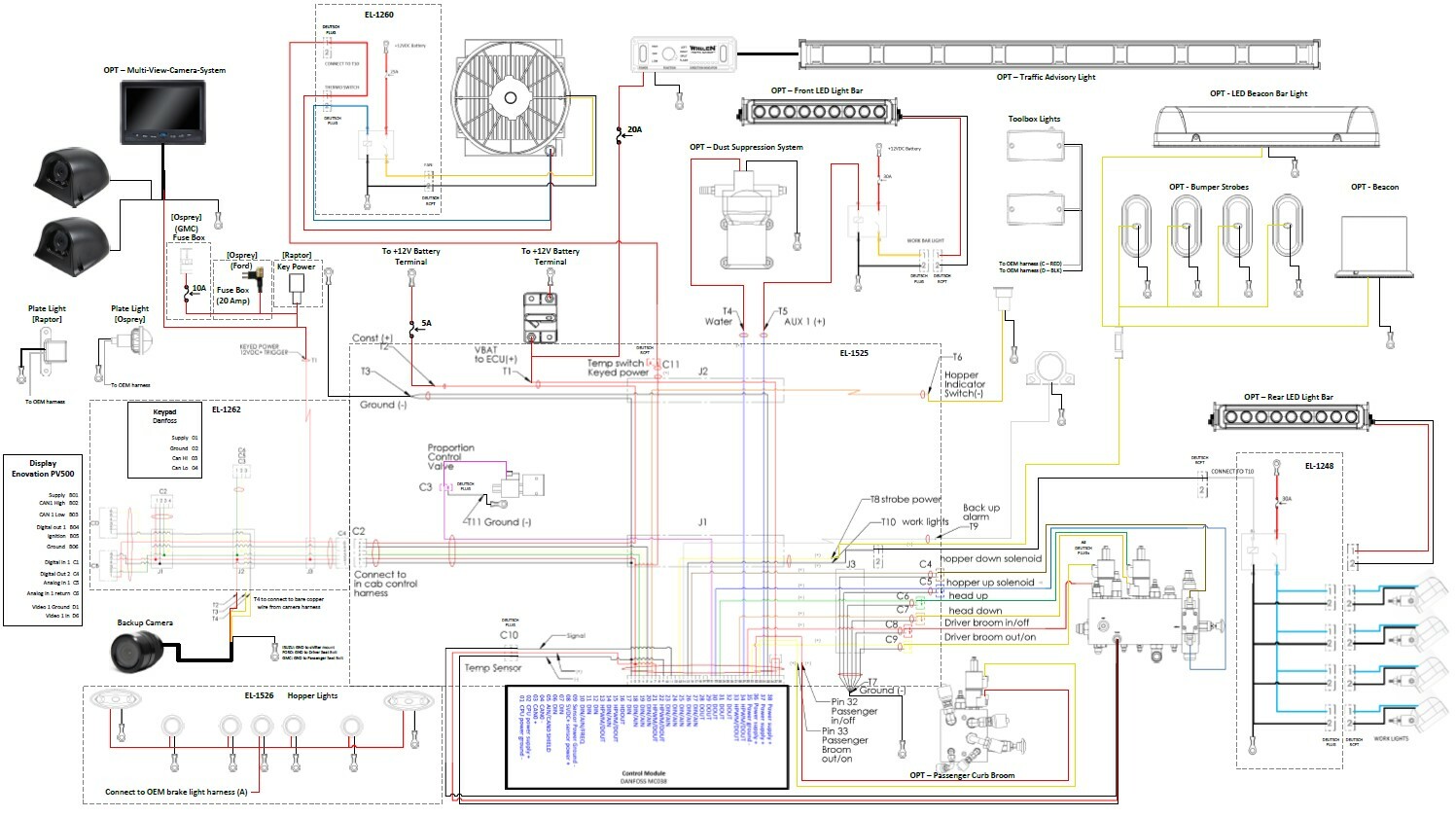
Raptor II - Electrical Schematic
Raptor II - Electrical Schematic
×
OK